THK宽幅滚柱型超重负载线轨滑块SRW70LR2QZKKHHC0+200LPZT-Ⅱ
特长:
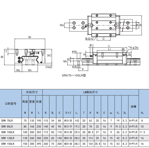
【超高刚性】 此型号加宽了轨道幅度,可以用两列装配螺栓来固定,因此安装强度有了大幅度的提高。另外,SRW型的 横向滚动面距离(L)大,因此具有对滚动方向的力矩负荷(Mc力矩)承载能力较强的结构。 而且,SRW型使用了弹性变形小的滚柱作为滚动体,滚柱全长为滚柱直径的1.5倍以上,因此提高了刚性。
【通过防止偏移实现平滑运动】 通过滚柱保持器使滚柱被均匀分隔排列进行循环,因此可以防止滑块到达负荷区时的滚柱偏移,还能最 大程度地减少滚动阻力的起伏变动,从而实现平滑而稳定的运动。



全新IKO直线导轨滑块LWLC12C2R90BCSH、原装IKO不锈钢导轨滑块LWLC12C2R160BCSH、THK郑州代理商IKO微型直线导轨LWLC12C1R60BCSH、THK苏州代理商IKO短款微型线轨LWLC12C2R100BCSH、THK合肥代理商THK高刚性自润滑导轨滑块HSR20A2QZC1+1360LP、THK高组装重型滑轨滑块HSR20A2QZC1+580LP、THK佛山代理商THK法兰上锁式安装滑块导轨HSR20A2QZC1+760LP、THK无锡代理商THK方型低组装滑块滑轨SSR30XW3SS+660L(G1=G2=50)-Ⅱ、THK北京代理商THK螺丝口内六角滚珠凸轮导向器CF10UU-A、THK标准尺寸重型滑块导轨HSR20A2QZSS+400L、THK西安代理商THK高组装法兰滑块线轨HSR20A2QZSS+340L、THK医疗影响MRI设备使用微型导轨滑块2SRS12WMSS+990LM、THK微米级精度线轨滑块RSR2WN+112L、THK医疗扫描提高清晰度微型滑轨滑块3RSR2WNSS+112LP-Ⅱ、THK杭州代理商THK手术机器人关节系统轻量化滑块导轨RSR3WNSS+112LP-II、THK重负载导轨滑块HSR45-465L、THK上海代理商THK哈挺机床专用导轨滑块SVS45LR2SSHHCOE+1410LP-II、THK超高刚性滚柱滑轨滑块SRG65LV2KKHHC0FE+1270LPF-II、THK厦门代理商THK防腐蚀表面镀黑铬滚柱直线导轨SRG65LV4KKHHC0FE+2770LPF-II、THK滚珠丝杠副、THK济南代理商THK狭小空间适用滑块导轨3RSR3MSS+132LP-II、THK武汉代理商THK微创手术精准操作导轨滑块RSR3MSS+27LP-II、THK新款标准型线轨滑块SHS15C2UU+400L、THK高耐久重型滑轨滑块HSR45C1QZKKKHHM、THK一级代理商THK滚柱滑块SRG20V、THK老款掉球滑块NRS30LA1SSC0E、THK标准尺寸重负荷滑轨滑块HSR45LA2UU+600LP、THK手机屏幕贴合机专用高速响应导轨滑块2SRS20MUU+420LM、THK总代理THK长寿命微型直线滑轨滑块2SRS20MUU+540LM、THK长润滑周期微型线轨滑块3RSR3WNSS+132LP-II、THK发动机缸体装配线使用微型导轨滑块RSR3WNSS+27LP-II、THK天津代理商THK加宽型导轨SHW50CA2UU+360L、THK广州代理商THK耐高温线性导套LM8MGUU、THK宁波代理商THK超级重负荷滚柱型导轨滑块SRG65LV1SSC1、THK紧凑型板式导轨2FBW2560XRUU+1200L、THK重庆代理商THK复杂力矩工况高稳定性线轨滑块SRS9XMSS+65LM、THK高精度压装设备常用微型导轨滑块SRS9XMSS+75LM、THK加工中心机使用滑轨滑块HSR45LR1SSFS、THK加长法兰型导轨滑块HSR55LA2SS+900L-II、THK深圳代理商THK高刚性高组装滑轨滑块HSR55LA2SS+1140L-II、THK重型下锁光孔安装滑块导轨HSR65HB2SS+865L-II、THK富山机床专用导轨滑块SVS65R2ZZC0+2860L、THK福州代理商THK丰和机床适用线轨滑块SVS65LC4SS+2000L、THK成都代理商THK数控设备常用线轨滑块SVS55LC4SS+2980L、THK长沙代理商THK钣金设备使用滑轨滑块SVS55LR6SS+2480L、THK青岛代理商THK五轴联动机械适导轨滑块SVS55LR2SS+2150L、THK东莞代理商THK飞机座椅调节机构专用滑块导轨RSR9M1NC1+55LP、THK纤小型滑套预压丝杆DIK2006-6RRG0+606.5LC5、THK耐腐蚀黑色导轨滑块SHS30V1QZDDF+310LF-II、THK自润滑静音线轨滑块SHS30V1QZDD+1480L-II、THK重负荷高刚性新款滑轨滑块SHS30V2QZDD+2200L-II、THK南京代理商THK长时间免维护运行导轨滑块SHS35C2QZDDC0+600LH











THK伺服电机专用齿条导轨滑块GSR30T
THK自调心滑块导轨NSR50TBC NSR25TB
THK进口原装微型十字导轨MX7WM MX5M
THK双维立体滑轨滑块CSR30S CSR15 C
THK润滑脂70g装波纹筒专用枪MG70
THK宽幅微型导轨SRS9WM SRS7WS SRS5
THK构件使用轨道滑块JR35B JR25B JR
THK滚柱导轨低重心滑块SRN35C SRN45
