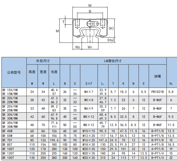
THK低断面高度高负荷导轨滑块SR15V2UUC1+110L
特长:
【低噪音型】 各钢球列的回转部被设计成能通过LM滑块端盖板的导向部,使钢球能够平滑地循环,因此可实现低噪音运动。
【耐久性】 即使在预压或偏置负荷作用之下,钢球的差动滑动量也抑制,实现了高耐磨损性和精度的长期维持。



THK母旋转式花键LTR16AUU+170L、THK加长高防尘型滑块HSR45LA1SSKKHHS(GK)BLOCK、THK不锈钢微型导轨滑块SRS9MUUC1+195L、THK重庆代理商THK间隙可调节型滑轨滑块NSR30TBC2SS+380L、THK厦门代理商THK机床专用超大负载型滑块导轨SNR45-1300LP、THK滑轨滑块SSR25XW1UUC1E+176LYH、THK深圳代理商THK高速无预压丝杠套装BTK2806-5.3ZZ+802L、THK法兰型滚柱花键LBF30UU+295L、THK广州代理商THK低组合高度径向载重线轨滑块SSR20XW2UUC1+460L、THK研磨标准轴加工丝杆BNK1010-1.5RRGO+240LC5Y、THK标准超大导程螺杆BNK1616-3.6G0+321LC5Y、THK青岛代理商THK耐用型重载导轨滑块SHS15V1SS+230L、THK低尘型滚动导轨SHS15V1SS+265L、THK济南代理商THK标准低噪音滑块线轨SHS15V1SS+350L、THK高速运行重负荷导轨滑块SHS15V1SS+450L、THK宁波代理商THK多种安装方式线轨滑块SHS15V1SS+500L、THK杭州代理商THK电子显微镜电子设备专用导轨2SRS12MUU+220LM、THK东莞代理商THK微型直线滑轨滑块2SRS9XMUU+95LM、THK全钢球型滚动导轨HSR15A2SSC0+400L、THK硅晶圆搬送装置专用导轨滑块2SRS15MSSC1+350L、THK超重载荷滑轨滑块SVS45LR2UU+1410L、THK超高刚性滚柱导轨SRG30R2SS+575L、THK中扭矩花键LF25UU+257LK、THK宽幅滑块HRW35CR1SS (GK)BLOCK、THK低重心滑块HRW14LRM1UU(GK)BLOCK、THK佛山代理商THK宽幅镀黑铬耐腐蚀导轨滑块SHW50CR2UUC0F+1800LPF、THK天津代理商THK微型不锈钢滑块导轨1SRS5MUU+30L、THK薄体积滑块SSR15XW1SS(GK)BLOCK、THK加工中心机专用滑块滑轨HSR20R1SS+675、THK一级代理商THK装料器专用导轨HRW35-580L、THK高刚度滚动线轨SHW35CA2SS+700LP、THK宽幅轨道导轨SHW21CA2SSFM+180LF、THK低重心省空间滑轨滑块SHW21CA2SSFM+180LF-IIAPC、THK直线导轨HSR20A1SS+340L、THK办公设备滑座使用线轨滑块SRS7MSS+40LM、THK制作装置LSI专用滚动导轨2SRS9XM+95LM、THK武汉代理商THK球保持器型微型滑轨SRS9XM+40LM、THK镗床使用导轨滑块SRG45LC2KKHHC1+1300LP-Ⅱ、THK磨床专用滑轨滑块SVR65LR2DDC0+1270L、THK车床专用自润滑导轨滑块SVS65LR2QZKKHH、THK上海代理商THK超大载重加长线轨滑块SRG55LR1QZZZ、THK南京代理商THK直线导轨HSR20A1SS+340L、THK北京代理商THK钻床适用长寿命滑块导轨SRG45R2UU+1700LP、THK苏州代理商THK铣床专用低噪音导轨滑块SRG45R2UU+1700LP、THK模具加工机专用免维护线轨滑块SVR25C2SS+840L、THK电火花加工机常用超重负载导轨滑块SVR25R4SSC0+1320L、THK线切割机适用滑轨滑块SVR30R2SSC0+1080L、THK总代理THK加工机5面常用滚柱导轨SVR30LR2SSC0+1080L、THK滚柱滚动导轨SVS25LR4SS+1320L、THK成都代理商THK高精密直线机床滑轨SVS25C2SS+1320、THK无锡代理商THK超高刚性机床导轨SVS30LR4SS+1740L、THK滚柱保持器型滚动导轨SVS30R4SS+1740L、THK超级重载荷滑轨滑块SVS35LR2SS+1420L、THK郑州代理商THK高刚性型线轨滑块SVS45LR2SS+1840L、THK西安代理商THK坐标镗床专用导轨滑块SNS25-845L、THK机床行业泛用线轨SNR30-1740L、THK长沙代理商THK德玛森机床滑块导轨SNR35-1420L、THK斗山机床常用导轨滑块SVR35LR2SS+2840L、THK福州代理商THK兄弟机床专用线轨滑块SVR30R2SS+2700L、THK马扎克机床常用滑轨SVR25LR2SS+2720L、THK合肥代理商THK日立机床适用滑块导轨SHS45C2TTHHC0+910LP-II










THK进口原装微型十字导轨MX7WM MX5M
THK耐高温滑块导轨HSR20M1A HSR30M1
THK新款微型导轨滑块SRS9XN SRS12N
THK耐高温低组装滑块SR25M1V SR15M1
THK双维立体滑轨滑块CSR30S CSR15 C
THK滚柱宽幅型导轨滑块SRW70LR SRW1
THK有限行程滚珠导轨EPF7M EPF15M E
THK润滑脂70g装波纹筒专用枪MG70
THK不掉球十字轨道导轨SCR20 SCR35
