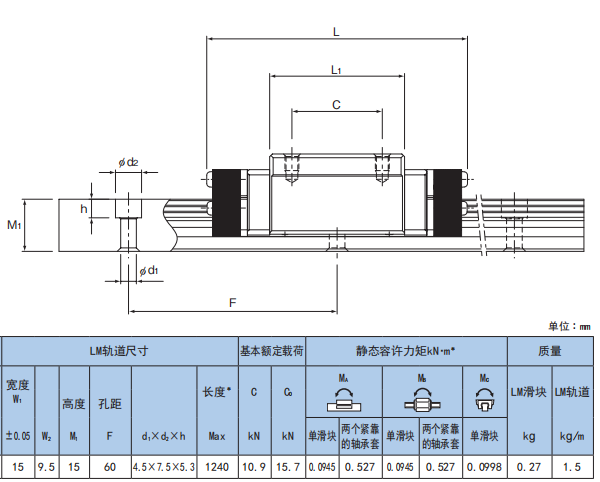
THK中低真空用直线滚动导轨滑块HSR15M1R1VVC1+400LP-Ⅱ
特长:
●使用环境广,可用在大气压~真空(10-3[Pa])范围。
●可对应烘烤温度为200℃*
●新开发的中低真空专用迷宫式末端密封垫片提高了油脂的保持性,可长期在真空环境使用。
●采用新开发的中低真空用油脂可获得稳定的滚动阻力。
*烘烤温度超过100℃时要在基本额定载荷***以温度系数。



THK线性轴承滑套LMF50、THK四方向等负荷滑块导轨SHS25C4SS+L2300、THK西安代理商THK直线轴承LMH30、THK成都代理商THK中央法兰圆切角型轴套LMCH20L、THK佛山代理商THK直线轴承LMH30LUU、THK无预压轧制外循环丝杆BTK3610-5.3ZZ+399LC7T-H2K、THK高精度滚动导轨SHS25C4SS+L2300、THK低噪音直线导轨SHS15R2SS+L200、THK杭州代理商THK长寿命线轨滑块SHS20V2SS+L340、THK灵活安装型滑轨滑块SHS25C6SS+L3760、THK世界标准尺寸线轨滑块SHS25C4SS+L2140、THK凸缘法兰型直线导套LMIH20L、THK成品精密滚珠丝杠BNK2010-2.5RRG0+799LC5Y、THK南京代理商THK发那科机床专用导轨滑块SVS25LR2UUC0+440LP(G=20)、THK圆弧形轨道滑轨滑块HCR15A1UU+60/150R、THK青岛代理商THK弧形线轨滑块HCR15A2UU+60/150R-3T、THK合肥代理商THK标准重负载镀黑铬导轨HSR30A2SSFM+1960LF-II、THK黑色表面处理导轨滑块HSR30A3SSFM+1960LF-II、THK导轨 HSR15A2SSC0+400L、THK总代理THK精密直线导轨HSR15A2SSC0+820L、THK带油嘴型导轨2SRS15MSSC1+350L、THK重载荷滚动导轨HSR15A2SSC0+760L、THK镀黑铬下锁安装式线轨滑块HSR25B2SSFM+2200LF-II、THK无锡代理商THK机床专用超大载重滑轨SVS65LR2KK+2640L、THK广州代理商THK高刚性标准尺寸滑块导轨HSR8R2UUM+55LM、THK滑块SSR20XW1SSFM(GK)BLOCK、THK宁波代理商THK高防尘均衡载重导轨滑块SVS30R2SSC0E+840LH-II、THK径向型重载滑块SSR20XV1SS(GK)BLOCK、THK导轨滑块SRS12MQZSS+70M-II、THK上海代理商THK标准尺寸型高载荷导轨滑块SHS20V2QZUU+340L-II、THK东莞代理商THK高刚性低噪音滑块导轨SHS25R2QZSSC0FM+400LPFM-II、THK济南代理商THK高精度平稳直线运动导轨SHS15V1SSFM+320LFM、THK泛用型静音导轨SHS55V2SSC0E+1660LP-II、THK滑块HSR25B1SSFM(GK)BLOCK、THK郑州代理商THK滑轨滑块SSR25XW1UUC1E+176LYH、THK滑轨滑块HSR25C1UUC1E+236LH、THK滑轨滑块HSR25C1UU1E+286LH、THK滑轨滑块SSR25XW1UUC1E+236LYH、THK滑轨滑块SSR25XW1UUC1E+165LYH、THK厦门代理商THK滑块模组SHS20C1SS、THK深圳代理商THK微型不锈钢自润滑导轨SRS9MQZUU+55L-II、THK高组装直线导轨滑块HSR15R2UU+395L、THK重型标准尺寸线轨HSR15R1UU+160L、THK球保持器型高速运行滑轨滑块SHS15V2SSC1+1000LP、THK长沙代理商THK高负载耐用型线轨SHS15V2SSC1+820LP、THK北京代理商THK分离型滑块导轨GSR35T1UU(GK)BLOCK、THK福州代理商THK高精度直线滚动导轨HSR65LB3UUFS+2320LPFS、THK自润滑高组装滑块HSR15R1QZKK(GK)BLOCK、THK母旋转式花键LTR16AUU+170L、THK加长高防尘型滑块HSR45LA1SSKKHHS(GK)BLOCK、THK不锈钢微型导轨滑块SRS9MUUC1+195L、THK间隙可调节型滑轨滑块NSR30TBC2SS+380L、THK机床专用超大负载型滑块导轨SNR45-1300LP、THK苏州代理商THK滑轨滑块SSR25XW1UUC1E+176LYH、THK高速无预压丝杠套装BTK2806-5.3ZZ+802L、THK武汉代理商THK法兰型滚柱花键LBF30UU+295L、THK低组合高度径向载重线轨滑块SSR20XW2UUC1+460L、THK研磨标准轴加工丝杆BNK1010-1.5RRGO+240LC5Y、THK天津代理商THK标准超大导程螺杆BNK1616-3.6G0+321LC5Y、THK一级代理商THK耐用型重载导轨滑块SHS15V1SS+230L、THK低尘型滚动导轨SHS15V1SS+265L、THK重庆代理商THK标准低噪音滑块线轨SHS15V1SS+350L、THK高速运行重负荷导轨滑块SHS15V1SS+450L、THK多种安装方式线轨滑块SHS15V1SS+500L











THK耐高温滑块导轨HSR20M1A HSR30M1
THK润滑脂70g装波纹筒专用枪MG70
THK滚柱宽幅型导轨滑块SRW70LR SRW1
THK新款微型导轨滑块SRS9XN SRS12N
THK进口原装微型十字导轨MX7WM MX5M
THK耐高温低组装滑块SR25M1V SR15M1
THK双维立体滑轨滑块CSR30S CSR15 C
THK不掉球十字轨道导轨SCR20 SCR35
