

强力圆盘刹车尾座面议
强力圆盘刹车尾座面议
卧式零背隙滚子凸轮分面议
卧式零背隙滚子凸轮分面议
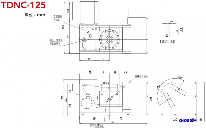
五轴零背隙滚子凸轮分面议
五轴零背隙滚子凸轮分面议
五轴零背隙滚子凸轮分面议
五轴零背隙滚子凸轮分面议
五轴零背隙滚子凸轮分面议
|
您还没有登录,请登录后查看详情
|


本网页所展示的有关【四五轴分度盘TDNC-125】的信息/图片/参数等由的会员【】提供,由CNC机床网会员【】自行对信息/图片/参数等的真实性、准确性和合法性负责,本平台(本网站)仅提供展示服务,请谨慎交易,因交易而产生的法律关系及法律纠纷由您自行协商解决,本平台(本网站)对此不承担任何责任。您在本网页可以浏览【四五轴分度盘TDNC-125】有关的信息/图片/价格等及提供 【四五轴分度盘TDNC-125】的商家公司简介、联系方式等信息。
在您的合法权益受到侵害时,请您致电13923622302,我们将竭诚为您服务,感谢您对CNC机床网的关注与支持!