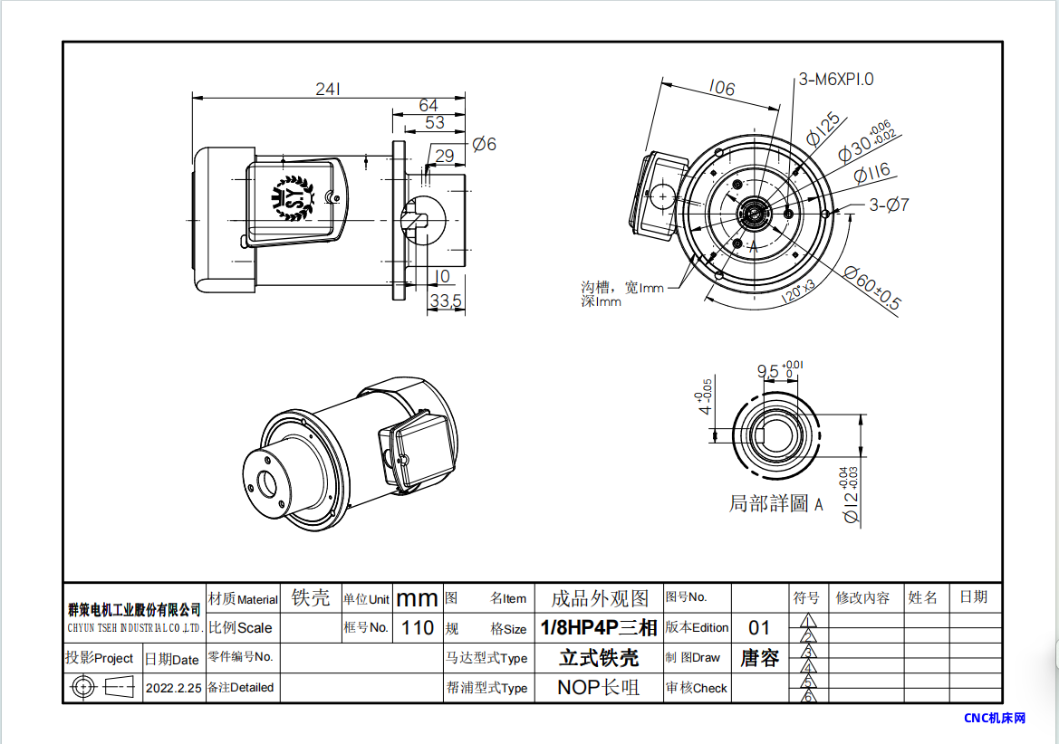
润滑油泵专用铁壳立式电机
电机型号:立式NOP长嘴(可做功率:0.18KW-0.19KW) 搭配油泵型号:润滑三角泵、NOP、TOP



润滑油泵专用铁壳卧式面议
对边机专用铣壳立式电面议
升降专用铁壳卧式电机面议
攻牙专用卧式电机面议
润滑油泵专用铁壳立式面议
油压专用铝壳扁轴不二面议
油压专用铣壳卧式-长面议
标准型立式出轴电机面议
标准型卧式出轴电机面议
面议
面议
面议
面议
面议
面议
|
您还没有登录,请登录后查看详情
|
电机型号:立式NOP长嘴(可做功率:0.18KW-0.19KW) 搭配油泵型号:润滑三角泵、NOP、TOP



面议
面议
面议
面议
面议
面议
面议
面议
面议
面议
本网页所展示的有关【润滑油泵专用铁壳立式电机】的信息/图片/参数等由的会员【】提供,由CNC机床网会员【】自行对信息/图片/参数等的真实性、准确性和合法性负责,本平台(本网站)仅提供展示服务,请谨慎交易,因交易而产生的法律关系及法律纠纷由您自行协商解决,本平台(本网站)对此不承担任何责任。您在本网页可以浏览【润滑油泵专用铁壳立式电机】有关的信息/图片/价格等及提供 【润滑油泵专用铁壳立式电机】的商家公司简介、联系方式等信息。
在您的合法权益受到侵害时,请您致电13923622302,我们将竭诚为您服务,感谢您对CNC机床网的关注与支持!