


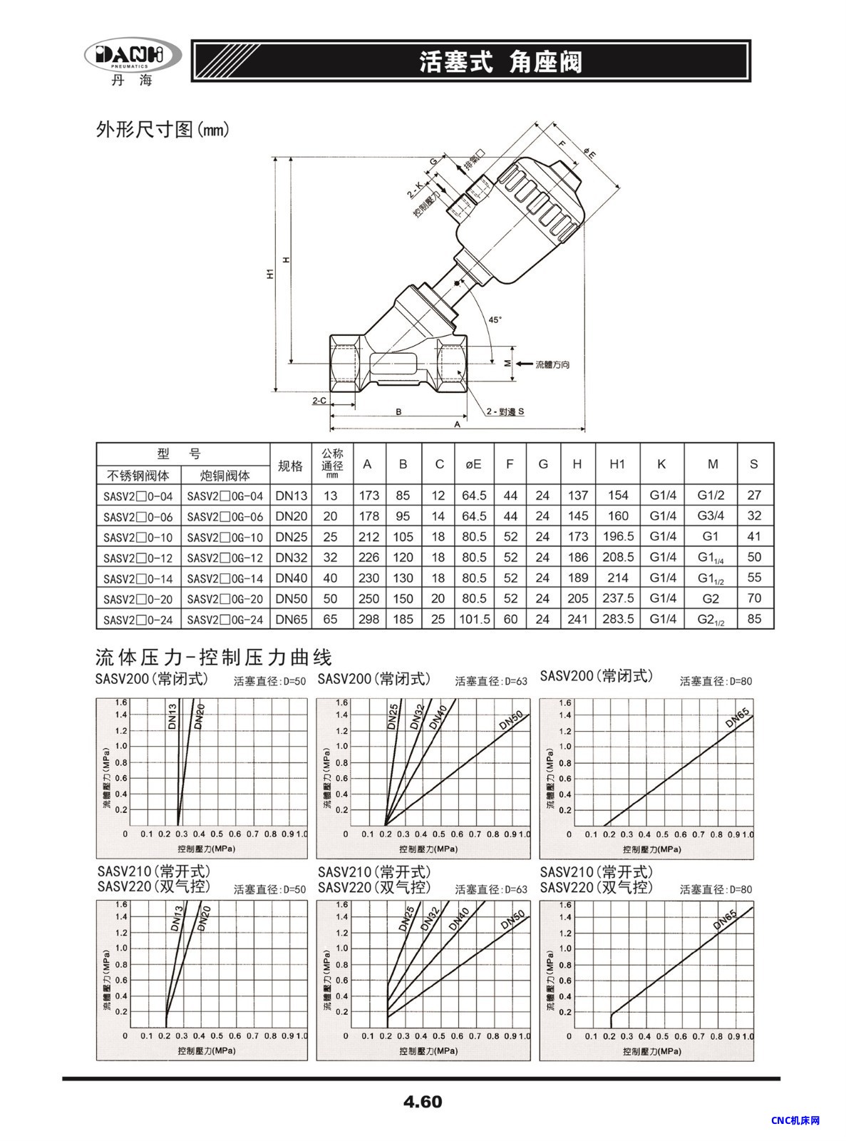
韩国DANHI丹海气动元件,SASV200-04,SASV200-06,SASV200-10,SASV200-12,SASV200-14,SASV200-20,SASV200-24,SASV210-04,SASV210-06,SASV210-10,SASV210-12,SASV210-14,SASV210-20,SASV210-24,SASV220-04,SASV220-06,SASV220-10,SASV220-12,SASV220-14,SASV220-20,SASV220-24,角座阀,两位两通角座阀,不锈钢角座阀,双动式角座阀,单动式角座阀,2位2通角座阀,二位二通角座阀,气控角座阀,耐高温角座阀,耐腐蚀角座阀,大流量角座阀,蒸汽角座阀。


第1年




韩国DANHI丹海SVFM150-01-34B旋转选
韩国DANHI丹海SVZA5120系列2位5通气
韩国DANHI丹海过滤带减压器SAW2000~
微信客服




