








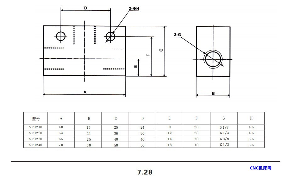
韩国DANHI丹海气动元件,SR系列梭阀,梭动阀,高低压三通阀,高低压自动换向阀:SR1210,SR1220,SR1230,SR1240,SV-50,SV-01,SV-02,SV-03,SV-04。









韩国DANHI丹海气动元件,SR系列梭阀,梭动阀,高低压三通阀,高低压自动换向阀:SR1210,SR1220,SR1230,SR1240,SV-50,SV-01,SV-02,SV-03,SV-04。
1、我公司所有配件均不含运费,小件走快递,大件及批量产品走物流,产品因重量不同运费另议;售前务必先咨询客服是否有您所需的产品,或者告知我们产品型号或链接,以免给您发错;
2、润滑油类产品一箱起拍,每箱4瓶或6瓶,少于一箱请慎拍或提前联系客服;
3、当日12:00点前所拍宝贝,下午统一发货,12:00点后所拍宝贝次日下午统一发货;
4、宝贝拆封后,如果不能正常使用安装,可及时联系客服退换,如一旦安装使用导致商品产生划痕,影响二次销售的,不予退换,给您带来的不便,敬请谅解。