THK机床滚柱导轨SRG15V SRG20A SRG25C
辛 130-0651-6723
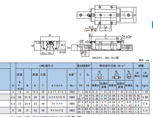
【结构与特长】SRG型通过采用滚柱保持器,能获得低摩擦的平滑运动,是实现了长期运行而免维护的超高刚性滚柱导轨。
【超高刚性】使用高刚性滚柱作为滚动体以及令滚柱全长为滚柱直径
【4方向等负荷】为使LM滑块上的4个作用方向(径向、反径向和侧向)均具角45°配置,因此所有方向都具有高刚性。
【通过防止偏移来实现平滑运动】通过滚柱保持器使滚柱被均匀分隔排列进行循环,因此可大程度地减少滚动阻力的起伏变动,从而实现平滑而稳定
【长期运行而免维护】使用滚柱保持器可消除滚柱之间的相互摩擦,并提高油脂【世界标准尺寸】此型号的尺寸设计以由直线运动系统之先驱THK所开发的HSR型为基准。
【配件丰富】备有末端密封垫片、内部密封垫片、侧面密封垫片、多层式氟密封垫片FS、GC孔盖等部件,适用于各种使用环境。




THK重载型直线导轨SRG25R1QZSS+440LP、进口THK高精度线轨SRG25C1SS+360LP、日本进口THK标准型镀黑铬线轨SHS55C2QZSSC0F+1020LPF、THK直线导轨青岛一级代理商SRG55C2SSCIE+1500LP-II批发零售、THK直线导轨SRG55C2SSC1E+1620LP-II、THK机床导轨SRG35C2SSC1E+680LP-II、THK厂家推荐型号SRG55C2SSCIE+1500LP-II、THK自润滑线轨HSR30C4QZSS+2000L、日本THK分离式滑轨GSR35T4SS+2000LK、日本THK高精度双维一体线轨4SCR25QZKKHHC0+1200/1000LP、THK微型直线导轨2SRS9XM UUC1+115LPM-II、原装THK老款微型线轨2RSR7WM UU+130LM、THK紧凑型导轨2SRS9M UUC1E+115LPM、原装THK低温不锈钢线轨2SRS9M UUC1+95LPM、THK保持器直线导轨2SRS12MSSC1+220LPM、THK耐腐蚀线轨HSR35R4SSC0FM+720LHF-II、THK滚柱导轨SRG45LC2SSC0+850LP、THK分离线轨HR4085T UU 与 HR4080 UU区别、进口THK老款机床导轨滑块SNR65R4QZTTHHC0+4640LPT-IIII、THK新款机床导轨SVS65R4QZTTHHC0+4640LPT-IIII、日本THK耐高温无尘室导轨滑块HSR12M1R2 UUC1ME+110LPM-II、THK耐高温无尘室导轨滑块HSR10M1R2 UUC1ME+95LPM-II、THK宽幅导轨滑块HRW35CR2 UU+1000L、THK自润滑直线导轨滑块SRG20V1QZ UUC0+178L、THK新款导轨滑块SHW17CR1UUM+230LM、THK滚柱型镀黑铬滑块SRG55LR1UUF、THK耐高温滑块HSR30M1LR、HSR25M1LA、HSR20M1R、HSR30M1LA、THK不锈钢型高精密配对导轨SSR15XV4SSC1M+308LYPM-II、日本THK滑轨SRS9XMSS+55LM、进口THK微型滑块2SRS7WNSS+110LM、THK标准不锈钢线轨SRS9XMSS+69LM、THK重负荷导轨HSR30R2SS+1720L-II、
THK直线导轨 THK导轨 THK滑块 THK导轨滑块 THK导轨轴承 THK直线轴承 THK轴承 THK THK线性滑轨 THK滑轨 THK耐高温直线导轨 耐高温导轨 耐高温滑块 高温直线导轨 高温滑块 THK BRARINGS SHS15RUU SHS25RUU SHS25LRUU SHS30RUU SHS30LRUU SHS3RUU SHS35LRUU SHS45RUUSHS45LRUU SHS55RUU SHS55LRUU SHS15C1UU SHS15LC1UU SHS20C1UU SHS20LC1UU SHS25C1UU SHS25LC1UU SHS30C1UU SHS30LC1UU SHS35C1UU SHS35LC1UU SHS45C1UU SHS45LC1UU SHS55C1UU SHS55LC1UU SHS65C1UU SHS65LC1UU
THK重型滚柱直线导轨SRG 系列
SRG15V SRG20A SRG20LA SRG20V SRG20LV
SRG25C SRG25C SRG25R SRG25LR SRG30C SRG30LC
SRG30R SRG30LR SRG35C SRG35LC SRG35R SRG35LR
SRG45C SRG45LC SRG45R SRG45LR SRG55C SRG55LC SRG55R SRG55LR
THK凸轮导向器,THK凸轮轴承,THK滚针凸轮导向器
THK交叉滚子轴承,THK 交叉滚子滑台,THK交叉滚子轴环
THK直线轴承,THK线性导套,THK衬套轴承,THK衬套,LM行程衬套,THK滚珠衬套
THK直线滚动单元,THK滚珠滑组
THK滚动块,THK滚动导轨滑块,THK直线循环滚子支持,THK平面滚子轴承
THK滚珠花键,THK旋转花键,THK滚珠花键套,THK重载型花键,THK中扭矩花键,THK大扭矩花键,THK梯形花键






