THK低重心线轨SHW12CAM不锈钢导轨SHW12CAM
【宽幅、低重心】
辛 130-0651-6723
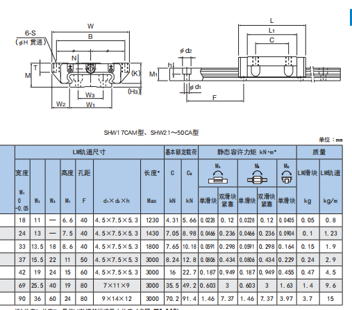
SHW型的LM轨道宽度较大并采用低重心结构,非常适合于安装在要求节省空间的场所,以及在要求MC力矩刚性的情况下单轴使用。
【4方向等负荷】
为使LM滑块上的4个作用方向(径向、反径向和侧向)均具有相同的额定载荷,各钢球列被设计成按接触角45°配置,因此无论何种姿势都可以使用,用途广泛。




THK耐腐蚀线轨HSR35R4SSC0FM+720LHF-II、THK滚柱导轨SRG45LC2SSC0+850LP、THK分离线轨HR4085T UU 与 HR4080 UU区别、进口THK老款机床导轨滑块SNR65R4QZTTHHC0+4640LPT-IIII、THK新款机床导轨SVS65R4QZTTHHC0+4640LPT-IIII、日本THK耐高温无尘室导轨滑块HSR12M1R2 UUC1ME+110LPM-II、THK耐高温无尘室导轨滑块HSR10M1R2 UUC1ME+95LPM-II、THK宽幅导轨滑块HRW35CR2 UU+1000L、THK自润滑直线导轨滑块SRG20V1QZ UUC0+178L、THK新款导轨滑块SHW17CR1UUM+230LM、THK滚柱型镀黑铬滑块SRG55LR1UUF、THK耐高温滑块HSR30M1LR、HSR25M1LA、HSR20M1R、HSR30M1LA、THK不锈钢型高精密配对导轨SSR15XV4SSC1M+308LYPM-II、日本THK滑轨SRS9XMSS+55LM、进口THK微型滑块2SRS7WNSS+110LM、THK标准不锈钢线轨SRS9XMSS+69LM、THK重负荷导轨HSR30R2SS+1720L-II、THK食品机械专用导轨HSR12R2 UU+510L-II、
THK保持器型滚子(滚柱)滚动导轨:SRN35C、SRN45C、SRN55C、SRN35LC、SRN45LC、SRN55LC、SRN65LC THK保持器型滚子(滚柱)滚动导轨:SRN35R、SRN45R、SRN55R、SRN35LR、SRN45LR、SRN55LR、SRN65LR 超高刚性型(低重心型) SRN型,与机床用LM导轨SNR型兼容 THK保持器型滚子(滚柱)滚动导轨:SRW70LR、SRW85LR、SRW100LR、SRW130LR、SRW150LR 超高刚性型(宽幅型) SRW型, 采用大宽度的滚子导轨,提高了安装强度、安装稳定性。
日本THK 交叉滚子(交叉滚柱)工作台:THK VRU9210、THK VRU9310、THK VRU9410、THK VRU9510、THK VRU9610、THK VRU9710、THK VRU9810、THK VRU9910、THK VRU91010
THK低重心导轨,THK宽幅线轨,THK不锈钢滑轨
SHW12CAM SHW12CRM SHW12HRM C SHW14CRM SHW17CAM SHW17CRM SHW21CA SHW21CR SHW27CA SHW27CR SHW35CA SHW35CR SHW50CA SHW50CR HRW12LRM HRW14LRM HRW17CR HRW17CA HRW21CA HRW21CR HRW27CA HRW27CR HRW35CA HRW35CR HRW50CA HRW50CR






